esp32_c3
Gestionnaire Multimédia
Sélection de fichiers
- Sélection de fichiers
- Envoyer
- Rechercher
Fichiers dans [racine]
Pas de réponse.
Fichier
- Voir
- Éditer
- Historique
- Date :
- 2025/12/07 01:22
- Nom de fichier :
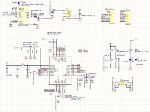
- schema-c3supermini.jpg
- Format :
- JPEG
- Taille :
- 300KB
- Largeur :
- 2003
- Hauteur :
- 1494
- Utilisé sur:
- esp32_c3
esp32_c3.txt · Dernière modification : de jerome


