Table des matières
ESP32 C3 Super Mini
Présentation
L'ESP32 C3 Super Mini est une carte de développement compacte intégrant un esp32-c3 et la fournée classique d'I/O faisant le régal des devs du dimanche ^^
Pinout
| pin | Function |
|---|---|
| 3V3 | 3.3V output/input (outputs 3.3V from the onboard regulator, or it is a input for external 3.3V power supply) |
| 5V | 5V input/output (connects to the USB-C 5V or external 5V supply) |
| GND | GND pin |
| GPIO 0 | General-purpose I/O, ADC1, PWM |
| GPIO 1 | General-purpose I/O, ADC1, PWM |
| GPIO 2 | General-purpose I/O ADC1, Strapping Pin (Boot Mode) (avoid for general use) |
| GPIO 3 | General-purpose I/O, PWM |
| GPIO 4 | General-purpose I/O, PWM, default SPI SCK pin |
| GPIO 5 | General-purpose I/O, PWM, default SPI MISO pin |
| GPIO 6 | General-purpose I/O, PWM, default SPI MOSI pin |
| GPIO 7 | General-purpose I/O, PWM, default SPI SS pin |
| GPIO 8 | Connected to the onboard LED (active low); Strapping Pin (avoid for general use) ; Default I2C SDA pin |
| GPIO 9 | Connected to BOOT Button (LOW to enter bootloader), Strapping Pin (avoid for general use) ; Default I2C SCL pin |
| GPIO 10 | General-purpose I/O, PWM |
| GPIO 20 | General-purpose I/O, PWM, default UART RX Pin |
| GPIO 21 | General-purpose I/O, PWM, default UART TX Pin |
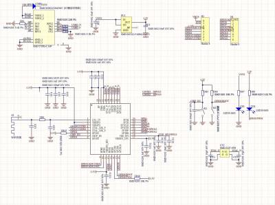
Schéma électronique
Alimentation
On note les traditionnels pins 3V3 et 5V. Comme la board est équipée d'un LDO de référence ME6211 3V3, on en déduit qu'on peut envoyer jusqu'à 6,5V sur le port 5V (cf spec du ME6211).
Analog Pins (ADC)
Les pins GPIO 0 à 5 supportent la lecture analogique :
- GPIO 0: ADC1_CH0
- GPIO 1: ADC1_CH1
- GPIO 2: ADC1_CH2
- GPIO 3: ADC1_CH3
- GPIO 4: ADC1_CH4
- GPIO 5: ADC1_CH5
Dimensions
Développement PlatformIO
PIO supporte cette board, avec le framework Arduino notamment.
Il faudra choisir la board 'esp32-c3-devkitm-1'.
On se retrouve alors avec les params suivants dans platformio.ini :
platform = espressif32 board = esp32-c3-devkitm-1 framework = arduino monitor_speed = 115200 build_flags= -D ARDUINO_USB_CDC_ON_BOOT=1 -D ARDUINO_USB_MODE=1
Note : l'upload ne nécessite pas d'utiliser le bouton 'boot', sauf si la board n'est pas détectée lors de l'envoi du binaire, mais aussi lors du tout premier flashage.
Liens Externes
Une très grosse partie des infos présentées ici vient de cette page : https://randomnerdtutorials.com/getting-started-esp32-c3-super-mini/
Un autre mine d'infos ici : https://www.espboards.dev/esp32/esp32-c3-super-mini/


